
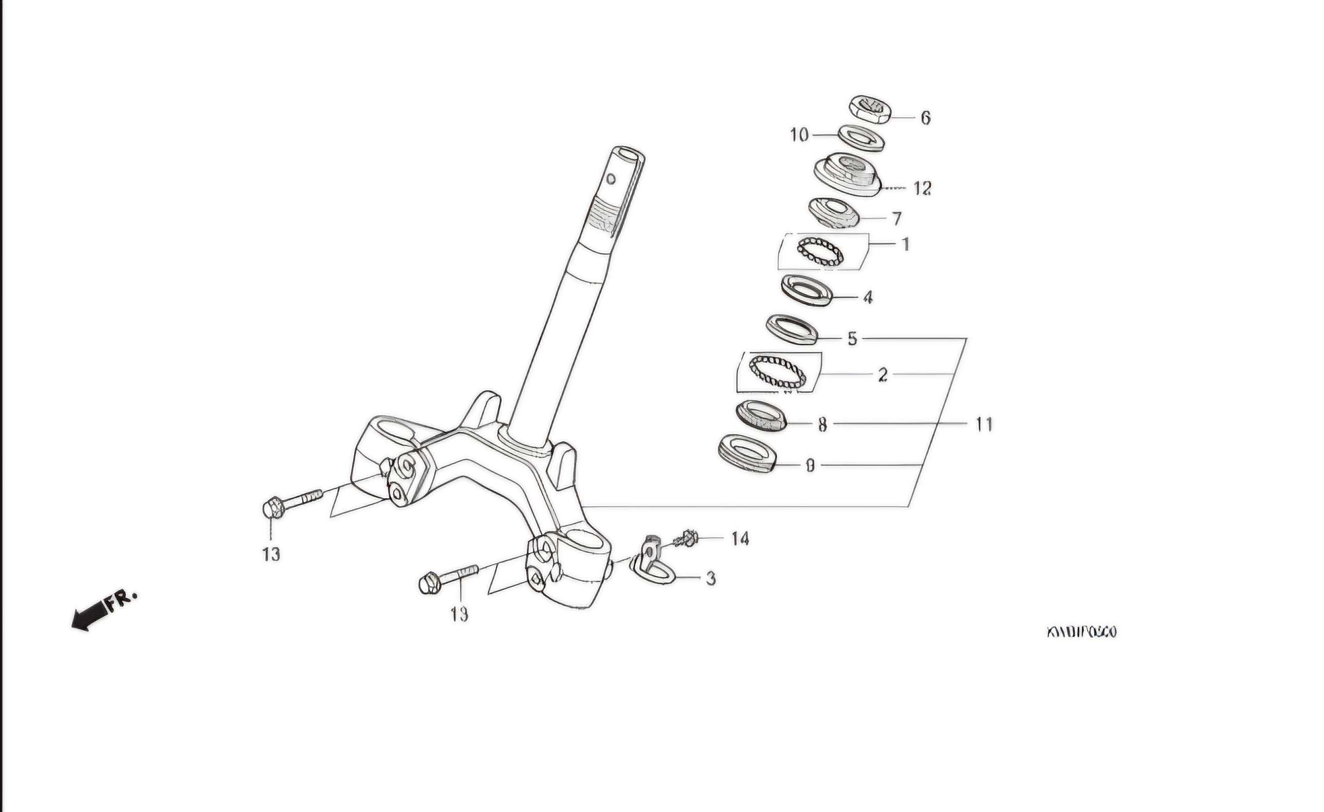
Ilustrasi: Komstir sepeda motor bermasalah bisa dikenali dengan beberapa tanda yang dirasakan bikers. (Honda Cengkareng)

Dana Desa Dialihkan untuk Koperasi Merah Putih, Pembangunan Desa di Bantul Jalan dengan Skema Lain
Wisata Kuliner Kabupaten Malang: 7 Makanan Khas yang Legendaris, Unik dan Autentik untuk Food Lovers
Link Pengumuman Hasil Seleksi Administrasi Manajer Koperasi Merah Putih yang Sudah Diumumkan
14 Rekomendasi Kuliner Depok untuk Keluarga, Tempat Makan Nyaman dengan Menu Beragam
50 Unit Mobil Koperasi Desa Merah Putih Tiba di Wonogiri, Dandim 0728/Wonogiri: Saran Saya Tidak Usah Digunakan Dulu Mobilnya
7 Rekomendasi Kuliner Lontong Balap Paling Enak di Surabaya, Wajib Dicoba Sekali Seumur Hidup!
Sempat Di-blacklist Koramil, Pembangunan Koperasi Merah Putih di Tuban Dikawal Babinsa
17 kuliner Legendaris di Surabaya yang Wajib Dicicipi Sekali Seumur Hidup!
12 Restoran Sunda Paling Enak di Jakarta, Tempat Makan dengan Menu Tradisional Khas dari Tanah Pasundan
Kecelakaan Kereta dan KRL di Bekasi Timur, KAI Fokus Evakuasi Para Korban
